Если человек попал под напряжение, и имеется замкнутая цепь, то по этой цепи начинает протекать ток, при этом тело человека оказывает сопротивление этому току.
Сопротивление тела человека является переменной величиной, зависящей от множества факторов (параметров электрической цепи, физического и психического состояния человека, состояния окружающей среды).
Разные ткани тела человека оказывают току разное сопротивление:
1) Кожа, кости, хрящи, сухожилия , жировая ткань – большое 3000 – 20000 Ом/м;
2) Мышцы, кровь, лимфа, особенно спинной и головной мозг – малое 0,5 –1,0 Ом/м.
Кожа имеет наибольшее удельное сопротивление, поэтому сопротивление тела человека определяется главным образом сопротивлением кожи человека.
Строение самой кожи сложно.
Кожа состоит из:
1) Наружного слоя (эпидермиса), который сам состоит из пяти слоев;
2) Внутреннего слоя (дермы).
Роговой слой наружного слоя лишен кровеносных сосудов и нервов и по этому имеет наибольшее сопротивление.
Другие слои наружного слоя и дермы имеют значительно меньшее сопротивление и по этому, сопротивление кожи в основном определяется сопротивлением рогового слоя.
Состояние кожи очень сильно влияет на сопротивление. Наибольшее сопротивление оказывает чистая, сухая, неповрежденная кожа (10 000 – 100 000 Ом). Любые царапины, порезы, микротравмы могут снизить сопротивление тела человека до значения внутреннего сопротивления, что безусловно увеличивает опасность поражения электрическим током. Тоже при увлажнении, загрязнении кожи.
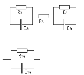
Таким образом, сопротивление тела человека можно условно считать состоящим из трех последовательно включенных сопротивлений: двух сопротивлений наружного слоя (эпидермиса), и одного сопротивления внутренних тканей и внутренних слоев кожи (дермы).

Эквивалентная схема Rт.ч.
Zэ – состоит из активного Rэ и емкостного Xс = 1/wСэ, обусловленного тем, что в месте приложения электрода к телу образуется как бы конденсатор, обкладками которого является электрод и хорошо проводящие ткани человека, а диэлектриком, разделяющим обкладки – эпидермис.

1 - электроды
2 - роговой слой
3 - ростковый слой
4 - эпидермис
5 - дерма
6 - подкожные ткани тела
7 - внутренние ткани

ε – диэлектрическая проницаемость (100-200)
ε0 – электрическая постоянная (8,85*10-12 Ф/м.)
S – Площадь электродов [м2];
dэ – толщина эпидермиса [м];
ρэ – удельное сопротивление эпидермиса (104 –105 Ом?м);
Сопротивление внутренних тканей считается чисто активным, хотя строго говоря, имеет емкостную составляющую практически не зависит от площади электродов, частоты, напряжения, тока и Rв≈500 – 700 Ом.
Зависит от длины и поперечного сечения участка тела и от удельного сопротивления внутренних органов Rв.
Эквивалентная схема сопротивления Z тела человека:

В комплексной форме после преобразования:

В действительной форме:

Упрощаем:

При малом сопротивлении тела человека:


Упрощенная схема.
Сопротивление тела человека зависит от:
1) Индивидуальных особенностей человека, даже у одного итого же человека в разное время и в разных условиях сопротивление разное, в зависимости от физического и психического состояния;
2) От пола – у женщин меньше, чем у мужчин. Объясняется толщиной кожи.
3) От возраста – у детей меньше, чем у взрослых и стариков. Объясняется толщиной и степенью огрубления кожи.
4) От внешней среды – температуры, давления, плотности.
5) От состояния кожи – загрязнения, ранения, увлажненности и т.п.
6) От внешних неожиданно возникающих раздражителей – болевые (удары, уколы), световые, звуковые снижают сопротивление тела человека на 20 – 50% на несколько минут.
Таким образом, сопротивление тела человека – нестабильно, не линейно. В расчетах же для упрощения принимают, сопротивление тела человека – стабильным линейным и активным, равным 1000 Ом.

Зависимость сопротивления тела человека от приложенного напряжения.
| §1. Электропроводность живой ткани.< Предыдущая | Следующая >§3. Сопротивление цепи человека. |
|---|





